- Popište předurčení a konstrukci multiplexerů a demultiplexerů
- Realizace multiplexerů a demultiplexerů logickými obvody
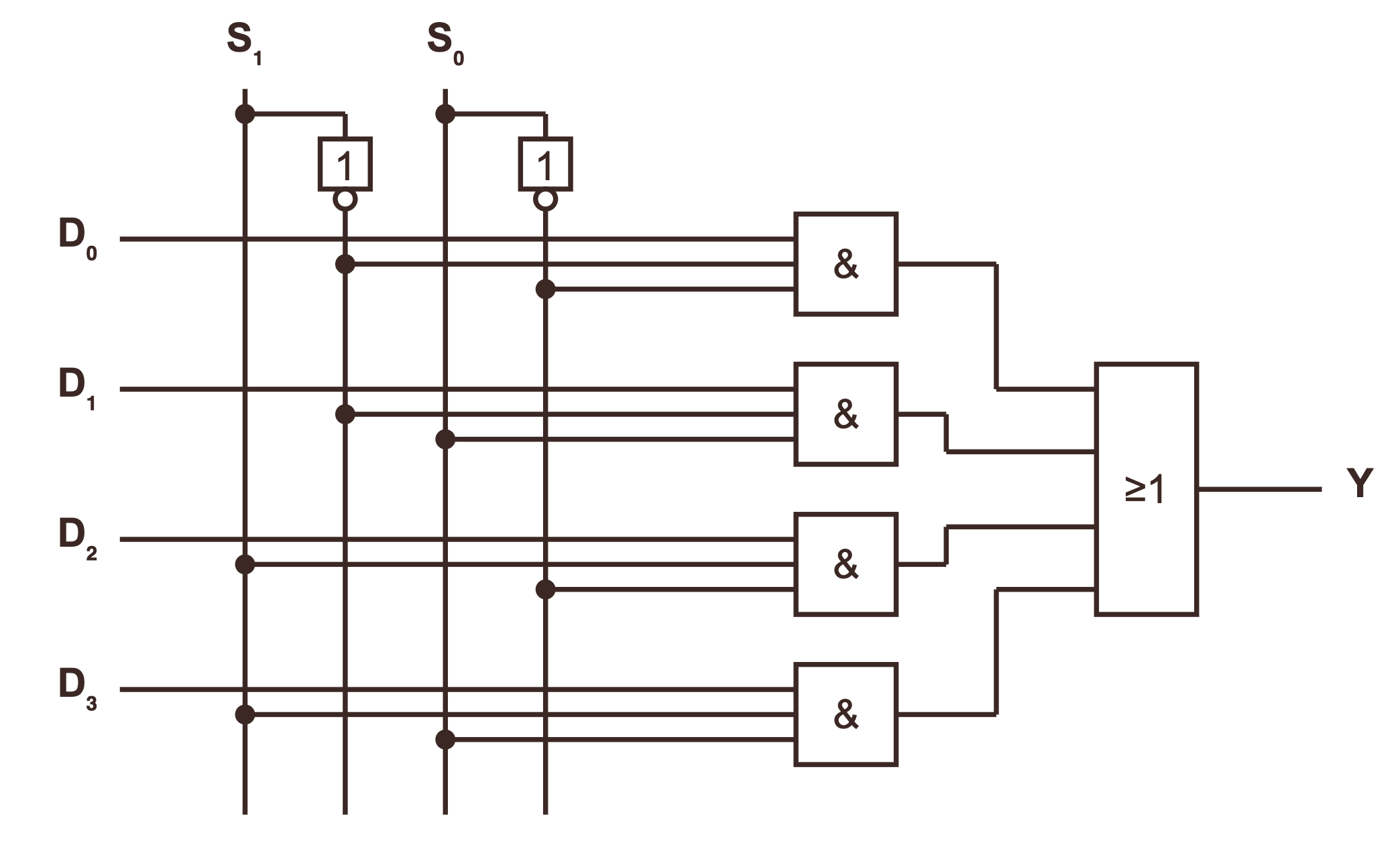
1. Multiplexer (MUX)
-
Multiplexer je obvod, který umožňuje vybrat jeden z několika vstupních signálů a ten poslat na jediný výstup. Funguje jako digitálně řízený otočný přepínač.
-
1.1 Předurčení a funkce:
- Princip: Má informačních vstupů (), adresových (výběrových) vstupů () a jeden výstup ().
- Funkce: Adresové vstupy určují, který z datových vstupů bude propojen s výstupem. Pokud je na adrese binární hodnota , na výstup se „překlopí“ data ze vstupu .

2-vstupový multiplexer
4-vstupový multiplexer
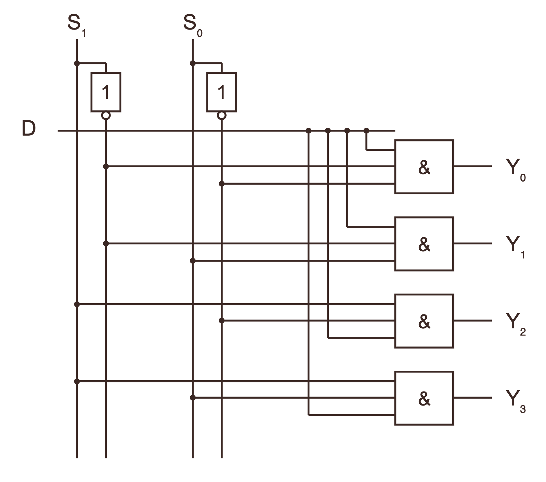
2. Demultiplexer (DEMUX)
-
Demultiplexer funguje přesně obráceně než multiplexer. Přijímá data z jednoho vstupu a směruje je na jeden z mnoha výstupů.
-
2.1 Předurčení a funkce:
- Princip: Má jeden informační vstup (), adresových vstupů () a výstupů ().
- Funkce: Na základě adresy se vstupní signál objeví na konkrétním zvoleném výstupu. Na ostatních výstupech je logická 0 (nebo 1, podle typu logiky).
1-vstupový demultiplexer
4. Využití
- Telekomunikace: Přenos více signálů (hovory, TV stanice) po jednom kabelu nebo optickém vlákně (tzv. časový multiplex).
- Počítačové sběrnice: Výběr dat z různých registrů, která mají jít do procesoru (ALU).
- Realizace logiky: Náhrada složitých sítí hradel – MUXem lze realizovat jakoukoli pravdivostní tabulku.
- Analogové měření: Připojení více senzorů (teplota, tlak) na jeden společný A/D převodník mikrokontroléru.
- Displeje: Řízení víceciferných 7-segmentovek (postupné rychlé spínání cifer pro úsporu vývodů).
5. Rychlé shrnutí:
- MUX (Mnoho vstupů 1 výstup): Funguje jako volič (přepínač) vstupů.
- DEMUX (1 vstup Mnoho výstupů): Funguje jako rozbočovač (výhybka) signálu.