- Značka, zjednodušená schémata, vnitřní struktura
- Základní vlastnosti ideálního/reálného OZ
- Ochrana OZ proti přetížení
- Rozdělení OZ
- Výpočet přenosu invertujícího a neinvertujícího zesilovače
Značka, zjednodušená schémata, vnitřní struktura
- Operační zesilovač (OZ) je stejnosměrný zesilovač s velmi vysokým ziskem.
- Původně byly navrženy pro realizaci matematických operací, jako je sčítání, odčítání, násobení, dělení, integrace a derivace, v analogových počítačích.
- Díky svým vlastnostem, které se blíží ideálnímu zesilovači, našly široké uplatnění v mnoha dalších oblastech elektroniky, například v zesilovačích, komparátorech, aktivních filtrech, A/D převodnících, měřicích přístrojích a PID regulátorech.

- Pokud je na vstupu se znaménkem plus (dále neinvertující vstup) vyšší napětí, než na vstupu se znaménkem mínus (dále invertující vstup), na výstupu se objeví maximální možné kladné napětí.
-
Vnitřní struktura
- Vstupní rozdílový (diferenční) zesilovač:
- Jeho hlavním úkolem je zesílit rozdíl napětí mezi invertujícím a neinvertujícím vstupem a sloučit jej do jediného signálu. Základem je dvojice tranzistorů (bipolárních nebo unipolárních) se spojenými emitory, které jsou napájeny ze zdroje konstantního proudu. Tento stupeň zajišťuje vysokou vstupní impedanci a potlačení souhlasného signálu (CMRR).
- Napěťový budící stupeň (rozkmitový stupeň):
- Zajišťuje potřebné napěťové zesílení signálu z prvního stupně. Často je realizován jako Darlingtonova dvojice tranzistorů.
- Koncový (výstupní) stupeň:
- Obvykle je tvořen komplementární dvojicí tranzistorů (NPN a PNP) v zapojení beztransformátorového zesilovače. To mu umožňuje dodávat do zátěže kladný i záporný proud s nízkou výstupní impedancí.
- Zajišťuje nízkou výstupní impedanci a dostatečný proudový výkon pro buzení zátěže. Bývá zapojen jako komplementární zesilovač (tzv. push-pull) ve třídě AB, což minimalizuje zkreslení. Vazba mezi jednotlivými stupni je galvanická, což umožňuje zesilovači pracovat i se stejnosměrnými signály (dolní mezní kmitočet je 0 Hz).
- Vstupní rozdílový (diferenční) zesilovač:
Základní vlastnosti ideálního/reálného OZ
| Vlastnost | Ideální OZ | Reálný OZ |
|---|---|---|
| Napěťové zesílení (A) | Nekonečně velké (A → ∞) | Velké, ale konečné (např. 10⁵–10⁶) |
| Vstupní odpor (Rin) | Nekonečně velký (Rin → ∞) | Velký (např. 1 MΩ až 10⁹ Ω) |
| Výstupní odpor (Rout) | Nulový (Rout → 0) | Malý, ale nenulový (např. jednotky až desítky Ω) |
| Frekvenční pásmo | Nekonečně široké (0 až ∞ Hz) | Omezené, závislé na typu (např. jednotky MHz) |
| Zkreslení | Nulové | Malé nelineární zkreslení |
| Vlastní šum | Nulový | Malý, ale existuje |
| Teplotní závislost | Žádná | Přítomná (zesílení i offset se mění s teplotou) |
| Offset napětí (Vₒff) | 0 V | Malý (µV až mV) |
| Spotřeba proudu | Žádná | Malá (z napájecího zdroje) |
-
Statické parametry:
- Napěťové zesílení otevřené smyčky:
- Dosahuje hodnot .
- Je to zesílení rozdílu napětí mezi vstupy bez zavedené zpětné vazby.
- Vstupní odpor:
- U OZ s tranzistory FET na vstupu může dosahovat až .
- Díky vysokému vstupnímu odporu OZ nezatěžuje zdroj signálu.
- Výstupní odpor:
- Po zavedení záporné zpětné vazby je velmi malý, v řádu desítek mΩ.
- Činitel potlačení souhlasného signálu (CMRR):
- Udává, jak dobře zesilovač potlačuje signál, který je přiveden na oba vstupy současně. Měl by být co největší.
-

- Vstupní napěťová a proudová nesymetrie (offset):
- Vzniká kvůli nedokonalé symetrii vstupních tranzistorů. Jedná se o malé napětí nebo proud, které je nutné přivést na vstup, aby na výstupu bylo nulové napětí. Způsobuje tzv. drift, tedy změnu nesymetrie s teplotou.
- Napěťové zesílení otevřené smyčky:
-
Dynamické a nelineární parametry:
- Rychlost přeběhu (Slew Rate):
- Definuje maximální rychlost změny výstupního napětí v čase (např. V/µs).
- Pokud je rychlost změny vstupního signálu vyšší, než je rychlost přeběhu, dochází ke zkreslení výstupního signálu.
- Běžné hodnoty jsou 0,5–5 V/µs.

- Mezní výkonová frekvence (ω ):
- Maximální frekvence sinusového signálu, který je OZ schopen přenést na výstup bez zkreslení a v maximální amplitudě. Souvisí s rychlostí přeběhu vztahem
- Kmitočtový rozsah:
- Sahá od stejnosměrného napětí až do desítek MHz. Se zvyšujícím se kmitočtem klesá zesílení.
- Rychlost přeběhu (Slew Rate):
Ochrana OZ proti přetížení
- Ochrana výstupu proti zkratu:
- Do série s výstupem se zařazuje rezistor o hodnotě 47 Ω až 2 kΩ. Moderní OZ mohou mít integrované elektronické pojistky.

- Do série s výstupem se zařazuje rezistor o hodnotě 47 Ω až 2 kΩ. Moderní OZ mohou mít integrované elektronické pojistky.
- Ochrana vstupů proti napěťovému přetížení:
- Lze použít Zenerovy nebo křemíkové diody zapojené mezi vstupy a zem.

- Lze použít Zenerovy nebo křemíkové diody zapojené mezi vstupy a zem.
- Ochrana proti chybnému připojení napájecího napětí:
- Do napájecích větví se zapojí ochranné diody.

- Do napájecích větví se zapojí ochranné diody.
- Omezení výstupního napětí:
- Například pro buzení TTL logiky je potřeba omezit výstupní napětí na +5 V.

- Například pro buzení TTL logiky je potřeba omezit výstupní napětí na +5 V.
- Blokovací kondenzátory:
- V těsné blízkosti napájecích vývodů OZ je nutné zapojit keramické kondenzátory (10–100 nF) proti zemi pro filtraci napájení.
Rozdělení OZ
- Operační zesilovače (OZ) lze dělit z několika hledisek, přičemž nejčastěji se setkáváme s rozdělením podle typu signálu, základního zapojení a jejich funkce.
-
Rozdělení podle typu vstupního a výstupního signálu:
- Toto je základní rozdělení, které klasifikuje OZ podle toho, jaký typ signálu (napětí nebo proud) zpracovávají na vstupu a jaký poskytují na výstupu.
- Napěťový OZ (napětí na napětí, UU):
- Jedná se o nejběžnější typ operačního zesilovače. Chová se jako napěťově řízený napěťový zdroj. V ideálním případě má nekonečný napěťový zisk, nekonečnou vstupní impedanci a nulový výstupní odpor.
- Proudový OZ (proud na proud, II):
- Tento typ funguje jako proudově řízený proudový zdroj. Ideálně má nekonečný proudový zisk, nekonečný výstupní odpor a nulový vstupní odpor.
- Transrezistentní OZ (proud na napětí, IU):
- Tento převod se děje podle tzv. transrezistence (Rₘ) – podobně jako odpor, ale pro zesílení.
- Chová se jako proudově řízený napěťový zdroj. Ideálně má nekonečný transrezistenční zisk a nulový vstupní i výstupní odpor.
- Transkonduktantní OZ (napětí na proud, UI):
- Míra převodu se označuje jako transkonduktance (gₘ) – udává, jak velký proud vznikne při určitém vstupním napětí.
- Tento OZ funguje jako napěťově řízený proudový zdroj. V ideálním případě má nekonečný transkonduktanční zisk a nekonečný vstupní i výstupní odpor.
- Toto je základní rozdělení, které klasifikuje OZ podle toho, jaký typ signálu (napětí nebo proud) zpracovávají na vstupu a jaký poskytují na výstupu.
-
Rozdělení podle základního zapojení:
- Toto rozdělení vychází z toho, na který vstup operačního zesilovače je přiveden zesilovaný signál.
- Invertující zapojení
- Neinvertující zapojení
- Sledovač napětí
- Toto rozdělení vychází z toho, na který vstup operačního zesilovače je přiveden zesilovaný signál.
-
Další rozdělení podle funkce a aplikace:
- Operační zesilovače byly původně vyvinuty pro realizaci matematických operací a jejich použití v různých specifických obvodech vedlo k dalšímu funkčnímu dělení.
- Mezi další častá zapojení patří:
- Součtové zapojení
- Rozdílové zapojení
- Derivující zapojení
- Integrující zapojení
- Napěťový komparátor (porovnávací obvod)
- Aktivní elektronické filtry
- Klopné obvody a omezovače amplitudy
Výpočet přenosu invertujícího a neinvertujícího zesilovače
- Ke snížení obrovského zesílení samotného OZ se využívá záporná zpětná vazba, realizovaná nejčastěji rezistorem mezi výstupem a invertujícím vstupem.
-
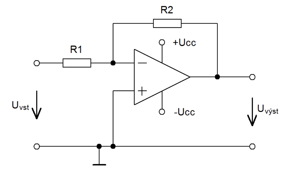
Invertující zesilovač
-
U tohoto zapojení je vstupní signál přiveden přes rezistor R1 na invertující vstup (-). Neinvertující vstup (+) je připojen na zem. Výstupní napětí je zesílené, ale s opačnou polaritou (fázově posunuté o 180°).
-
Princip: Díky velkému zesílení se OZ snaží udržet nulové napětí mezi svými vstupy. Jelikož je neinvertující vstup na zemi, invertující vstup se stává tzv. virtuální zemí (má téměř nulové napětí).

-
Výpočet přenosu (zesílení):
- Proud tekoucí rezistorem R1 () nemůže téci do vstupu OZ kvůli jeho vysoké impedanci, a proto musí celý protékat zpětnovazebním rezistorem R2. Podle I. Kirchhoffova zákona pro uzel na invertujícím vstupu platí: .
- Z toho plyne vztah pro napěťové zesílení (přenos):
- Zesílení je dáno poměrem odporů R2 a R1 a je záporné, což značí invertování signálu.
-
-
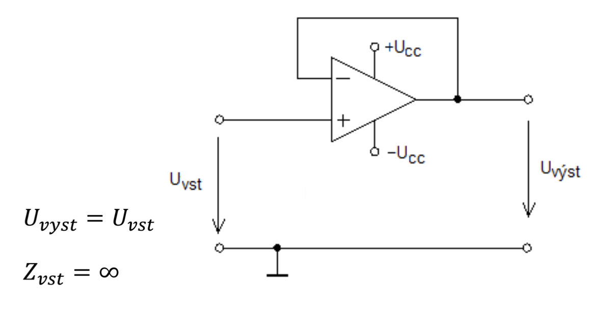
Neinvertující zesilovač
- Vstupní signál je přiveden přímo na neinvertující vstup (+). Zpětnovazební síť (dělič z rezistorů R1 a R2) je připojena na invertující vstup.
- Vlastnosti: Výstupní signál je ve fázi se vstupním signálem. Zesílení je vždy větší než 1.

- Oproti invertujícímu zapojení má toto zapojení velmi vysokou vstupní impedanci (řádově MΩ až TΩ), která je dána vstupní impedancí samotného OZ a nezávisí na hodnotách rezistorů.

-
Sledovač napětí:
- Speciálním případem neinvertujícího zapojení je sledovač napětí, kde je výstup přímo spojen s invertujícím vstupem (R2=0, R1=∞). Jeho zesílení je rovno 1 a používá se pro impedanční oddělení – převádí vysokou vstupní impedanci na nízkou výstupní impedanci.
- Pokud je výstup zatížen nějakou další zátěží, ovlivňuje to v zapojení i invertující vstup a tak výstupní napětí bude shodné se vstupním až do okamžiku kdy je přesažena velikost výstupního proudu, který může konkrétní OZ dodat do zátěže – velikost zátěže v určitých mezích tedy neovlivňuje výstupní napětí OZ.
