- Velmi přesný, ale pomalý. Používá nabíjení a vybíjení kondenzátoru pro měření vstupního napětí.
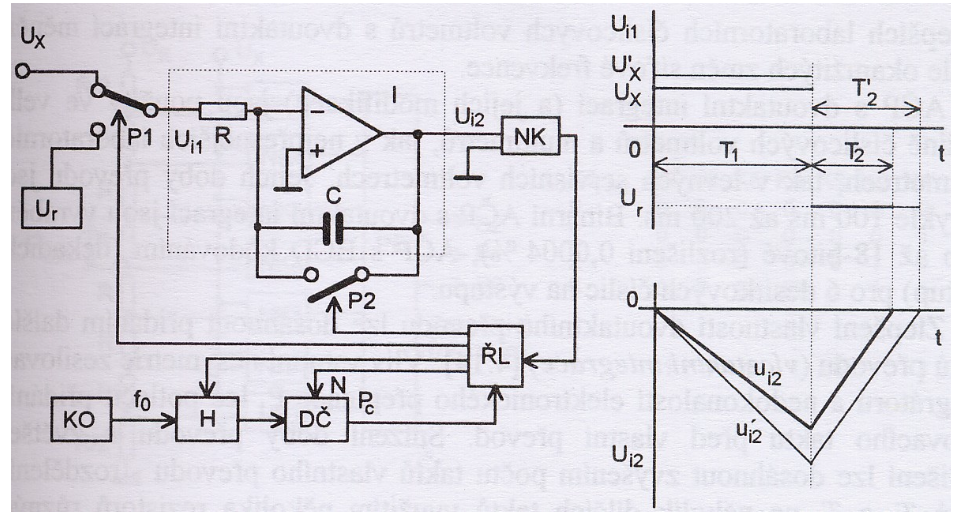
- Jeho výstup je roven průměrné hodnotě vstupního napětí Ux za konstantní dobu T1
- Čas T2 je úměrný původnímu napětí.
✅ Výhody: Velmi dobré potlačení šumu a rušení (hlavně ze sítě – 50 Hz).
❌ Nevýhody: Pomalejší než SAR převodník.
👉 Použití: Digitální multimetry, laboratorní přístroje.

**📌Jak funguje?
- Před začátkem převodu je integrační kondenzátor C vybit a dekadický čítač DČ vynulován.
- Vlastní převod probíhá ve dvou taktech:
1️⃣ První fáze (nabíjení):
- Po dobu T1 se měřené napětí nabíjí do kondenzátoru. 2️⃣ Druhá fáze (vybíjení):
- Pak se připojí referenční napětí s opačnou polaritou a měří se, jak dlouho trvá, než kondenzátor vybije.