- Typy tranzistorů FET a jejich značky
- JFET: struktura, princip činnosti, využití
- JFET: jako spínací prvek, napětí řízený odpor
- MOSFET: druh, struktura, princip činnosti, charakteristiky, nastavení klidového pracovního bodu
- CMOS technologie: funkce v logických obvodech s indukovaným kanálem jako spínač
- Základy pro manipulaci s tranzistory řízenými elektrickým polem
-
Na rozdíl od bipolárních tranzistorů, u kterých řízený proud prochází dvěma polovodičovými přechody a ovládají se bázovým proudem (čímž zatěžují budící obvod nízkým vstupním odporem), u unipolárních tranzistorů řízený proud prochází jen polovodičem jednoho typu, mají tedy velmi malý úbytek napětí v sepnutém stavu a ovládají se pouze elektrickým polem (napětí do gate) ⇒ mají tedy velmi velký vstupní odpor (rádově MΩ).
-
Využívají pouze jeden typ nosičů náboje – buď elektrony (N-kanál), nebo díry (P-kanál).
-
Mají elektrody G(Gate) D(Drain) S(Source). Nejznámějšími typy jsou: MOSFET a JFET.
-
Používají se na: Zesilovače , Spínací obvody , Analogové přepínače , Integrované obvody
-
Výhody: Vysoký vstupní odpor, Nízký šum, jednoduché řízení napětím.

Dělení
- Unipolární tranzistory se dělí na několik FET typů, každý z nich má svou N a P variaci, každý funguje na trochu jiném principu, ale všechny sdílí jednu věc a to je, že se řídí elektrickým polem.

- JFET = ( Junction Field Effect Transistor )
- MOSFET = ( Metal-Oxide-Semiconductor FET ) - který se pak dále dělí na MOSFET s indukovaným a vodivým kanálem.
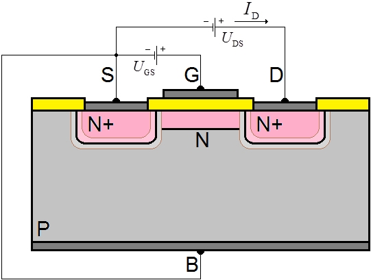
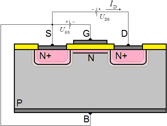
MOSFET
-
Indukovaný kanál
-
Nemá při nulovém napětí na hradle žádný vodivý kanál mezi drainem a sourcem.
-
Aby se tranzistor otevřel, musí se na Gate přivést napětí: kladné pro N-kanál, které elektrostaticky vytvoří vodivý kanál v substrátu mezi Drainem a Sourcem, a záporné pro P-kanál.
-
Tento typ se nazývá „obohacovací“ ( enhancement mode), protože se kanál musí teprve vytvořit.
-
Ideální pro logické obvody (CMOS), mikrokontrolery, PWM řízení, spínání LED, motorů, relé.
Napětí UGS N-kanálový MOSFET P-kanálový MOSFET UGS = 0 V Kanál nevede, tranzistor je uzavřený, proud neteče Kanál nevede, tranzistor je uzavřený, proud neteče UGS > 0 V (kladné napětí) Kanál se vytváří a rozšiřuje, proud roste, tranzistor otevřený Kanál nevede, tranzistor uzavřený UGS < 0 V (záporné napětí) Kanál nevede, tranzistor uzavřený Kanál se vytváří a rozšiřuje, proud roste, tranzistor otevřený -
Princip (kanál N):
- (-) - Elektron; (+) - Díra

- Pokud je napětí na Gate nulové nebo záporné, kanál se nevytvoří, proud neteče a tranzistor zůstává uzavřený.

- Kladné napětí na Gate elektrostaticky vytváří vodivý kanál mezi Drainem a Sourcem, proud se začíná zvyšovat a tranzistor se otevírá.
- (-) - Elektron; (+) - Díra
-
Charakteristika (kanál N):

- Odporová (triodová) oblast
- Při malém napětí VDS MOSFET funguje jako lineární odpor.
- Proud ID roste téměř lineárně s VDS.
- Oblast saturace
- Při vyšším VDS proud ID prakticky přestává růst.
- Body zaškrcení pak ukazují přechod z lineárního odporu do saturační oblasti.
- Tranzistor se chová jako napětím řízený proudový zdroj.
- Měkký průraz (soft breakdown)
- Stav, kdy izolační vrstva Gate oxide začíná propouštět proud z Gate do kanálu/substrátu.
- Značí blížící se hranici bezpečného provozu.
- D-B průraz (Drain-Body breakdown)
- Překročení maximálního napětí mezi Drainem a substrátem → destruktivní průraz PN přechodu.
- Tranzistor se může poškodit.
- IDmax
- Maximální proud mezi Drainem a Sourcem, který tranzistor bezpečně snese.
- UBRDSS
- Maximální napětí mezi Drainem a Sourcem před destruktivním průrazem.
- Pmax
- Maximální příkon, který MOSFET může rozptýlit bez poškození.
- Hodnota platí obvykle bez chladiče; s chladičem se efektivně zvyšuje.
- Odporová (triodová) oblast
-
-
Vodivý kanál
-
Má kanál vytvořený už při výrobě, takže je vodivý i bez napětí na hradle.
-
Kladné napětí na N-kanálu kanál rozšiřuje a zvyšuje proud, zatímco záporné napětí ho zužuje a snižuje proud.
-
U P-kanálu je to opačně – záporné napětí rozšiřuje kanál a zvyšuje proud, kladné ho zužuje.
-
Tento typ se nazývá „ochuzený“ (depletion mode), protože se kanál postupně „vyčerpává“ záporným napětím.
Napětí UGS N-kanálový MOSFET P-kanálový MOSFET UGS = 0 V Kanál vodivý, proud teče z Drain → Source Kanál vodivý, proud teče z Source → Drain UGS > 0 V (kladné napětí) Kanál se rozšiřuje, proud roste (víc otevřený) Kanál se zužuje, proud klesá (víc zavřený) UGS < 0 V (záporné napětí) Kanál se zužuje, proud klesá (víc zavřený) Kanál se rozšiřuje, proud roste (víc otevřený) -
Princip (kanál N):

- Kanál N se rozšiřuje, elektrony jsou přitahovány do kanálu a proud mezi Drainem a Sourcem se zvyšuje. Tranzistor pracuje v režimu obohacení.

- Elektrony jsou odpuzovány, kanál se zužuje a odpor roste. Proud mezi Drainem a Sourcem klesá a tranzistor pracuje v režimu ochuzení.
- Kanál N se rozšiřuje, elektrony jsou přitahovány do kanálu a proud mezi Drainem a Sourcem se zvyšuje. Tranzistor pracuje v režimu obohacení.
-
Charakteristika (kanál N):

-
JFET

-
Kanál existuje už při nulovém napětí, takže tranzistor vede proud i bez napětí na Gate.
-
Proud mezi Drainem (D) a Sourcem (S) teče přes vodivý kanál, jehož šířku řídí napětí mezi Gate (G) a Source (S).
-
U MOSFETu je hradlo (Gate) oddělené izolační vrstvou oxidu od kanálu. Díky tomu žádný proud neteče mezi Gate a kanálem — ovládání je čistě elektrické polem.
-
U JFETu ale žádná izolační vrstva není — místo toho je mezi Gate a kanálem PN přechod (stejný typ jako v diodě).
-
Ten PN přechod je obvykle zpolarizován závěrně (tzn. že na přechod PN přivedeme napětí opačné polarity, než by bylo pro jeho vodivost.), takže přes něj teče jen velmi malý závěrný proud (řádově mikroampéry).
-
Změnou napětí UGS (opačné polarity než je typ kanálu) se řídí šířka vodivého kanálu
-
Tento typ se nazývá „ochuzený“ (depletion mode), protože kanál se při řízení napětím „vyčerpává“.
-
Používá se v analogových obvodech, zesilovačích s nízkým šumem a řízených odporech.
-
Vysoká vstupní impedance až 10¹⁰ ohm, Nízký šum, Jednoduchá konstrukce, Stabilní provoz
| Napětí UGS | N-kanálový JFET | P-kanálový JFET |
|---|---|---|
| UGS = 0 V | Kanál vodivý, proud teče z Drain → Source | Kanál vodivý, proud teče z Source → Drain |
| UGS < 0 V (záporné napětí) | Kanál se zužuje, proud klesá, tranzistor se uzavírá | Kanál se rozšiřuje, proud roste, tranzistor se více otevírá |
| UGS > 0 V (kladné napětí) | Kanál se rozšiřuje jen omezeně (možný průraz PN přechodu) | Kanál se zužuje, proud klesá |
-
Princip (kanál N):

-
Při UGS = 0 V proud teče z Drain → Source skrz kanál N.
-
Pokud na Gate přivedeme záporné napětí, PN přechod se rozšiřuje a kanál se zužuje, dokud se zcela neuzavře (napětí UGS(off)).
-
Proud ID tak lze řídit velikostí záporného napětí na Gate.
-
Charakteristika
- Výstupní charakteristika:
- Proud mezi Drainem (D) a Sourcem (S) závisí na napětí U_DS a napětí U_GS na Gate.
- Při malém U_DS se tranzistor chová jako lineární odpor (triodová oblast).
- Při vyšším U_DS se kanál začíná zaškrcovat → tranzistor vstupuje do saturace (proud se ustálí).
- Záporné napětí U_GS zužuje kanál, proud klesá, nulové U_GS znamená plně otevřený kanál.
- Bod, kde se kanál začíná zaškrcovat, se nazývá pinch-off.
- Tranzistor je napětím řízený, vstupní proud přes Gate je velmi malý.
- Převodová charakteristika:
- Zobrazuje, jak proud mezi Drainem (D) a Sourcem (S) závisí na napětí U_GS na Gate.
- Při U_GS = 0 V je kanál plně otevřený, proud je maximální (I_DSS).
- Se zvyšující se zápornou polaritou U_GS se kanál zužuje a proud klesá.
- Překročení záporného prahu U_GS(off) způsobí úplné uzavření kanálu (I_D ≈ 0).
- Tranzistor pracuje v režimu ochuzení, regulace proudu je téměř čistě napětím na Gate.
- Výstupní charakteristika:
JFET jako spínač (kanál N)

- Gate je přes spínač připojena k řídicímu napětí VGS (zdroj), zároveň přes pull-down odpor RG na zem.
- Když je spínač ON, VGS otevře kanál → proud teče → tranzistor sepnutý.
- Když je spínač OFF, Gate je přes RG stažena na zem → kanál se zavře → proud neteče → tranzistor rozepnutý.
- Funkce RG: drží Gate na zemi, když není přivedeno řídicí napětí (kvůli vysoké impedanci).
- Zamezuje „plavání“ Gate → tranzistor by se mohl náhodně otevřít.
- Zajišťuje, že tranzistor zůstane spolehlivě uzavřený, pokud spínač VGS je OFF.
Nastavení klidového pracovního bodu
- Co je pracovní bod (Q-point): - Klidový pracovní bod je hodnota proudu IC a napětí UCE tranzistoru při neaktivním vstupu (žádný signál). Určuje, kde tranzistor „sedí“ na své charakteristice.
- K čemu slouží: - Zajišťuje lineární zesílení signálu. - Brání, aby tranzistor byl úplně otevřený (saturační oblast) nebo zavřený. - Udává, kolik proudu teče a jaké je napětí před zesílením signálu.
- Zatěžovací přímka: - Ukazuje, jak se bude měnit proud IC s napětím UCE při dané zátěži a napájení. - Všechny možné provozní body tranzistoru leží na této přímce. - Pomáhá vizualizovat rozsah, ve kterém může tranzistor bezpečně pracovat.
- Bod P (pracovní bod) na přímce: - Konkrétní bod, kde tranzistor „sedí“, když na vstupu není signál. - Správné nastavení bodu P = stabilní a lineární zesílení. - Posun pracovního bodu (změna napětí, odporů) → tranzistor může zkreslovat signál.

CMOS
- Komplementární MOS technologie (CMOS), která spočívá v současném zapojení tranzistorů s kanálem typu N (NMOS) a typu P (PMOS), umožňuje pomocí jednoho řídicího signálu otevřít jeden tranzistor a zároveň uzavřít druhý tím se stávají velmi úspornými, přičemž při přivedení logické jedničky se otevře NMOS a uzavře PMOS, zatímco při logické nule se otevře PMOS a uzavře NMOS.
- CMOS obvody se využívají především v číslicové technice, kde tvoří základ moderních mikroprocesorů, pamětí, logických hradel a dalších integrovaných obvodů.

Základy pro manipulaci s tranzistory řízenými el. polem
- Jako základ by jsem považoval nedotýkání elektrod protože jsou extrémně citlivé proto také chodí Unipolarní tranzistory zapíchlé v celofánu elekrodama také jako dobré opatření pro zabránění tomuto je se před jakoukoliv prací s elekrodami uzemnit. U výkonových obvodů (například zesilovačů) by se mělo zajistit nepřehřívání součástky vyřešeno je to tak že máme na pouzdře zesilovače umístěnou kovovou část s dírkou kam lze připevnit pasivní chladič nebo dát Thermalpad.