• Druhy frekvencích charakteristiky, komplexní napěťový přenos, útlumová a fázová charakteristika
  • Odvození přenosu, frekvenční charakteristiky
  • Integrační RC článek, Derivační RC článek, Wienův RC článek

1. Úvod

  • Derivační a integrační články jsou frekvenčně závislé lineární dvojbrany, které ve své struktuře obsahují nejméně jeden reaktanční prvek, tedy kondenzátor nebo cívku. V nejjednodušší formě jsou realizovány jako pasivní zapojení typu RC nebo RL. Funkce těchto obvodů je definována časovou konstantou a vztahem mezi vstupním a výstupním napětím, který v určitém pásmu odpovídá matematickým operacím derivace či integrace.

  • Z hlediska frekvenční analýzy vykazují tyto obvody odlišné přenosové vlastnosti:

    1. Derivační článek má charakteristiku horní propusti (HP). Pro stejnosměrný proud a nízké frekvence je neprůchozí, se zvyšující se frekvencí vstupního signálu modul přenosu roste.
    2. Integrační článek se chová jako dolní propust (DP). Propouští stejnosměrnou složku a nízké frekvence, zatímco se zvyšující se frekvencí výstupní napětí klesá.
  • Podle počtu akumulačních prvků dělíme tyto obvody na:

    1. Články 1. řádu: Obsahují jeden reaktanční prvek (C nebo L). Jejich frekvenční charakteristika klesá či stoupá se strmostí  a jsou definovány jednou mezní frekvencí ().
    2. Články 2. řádu: Obsahují dva nezávislé akumulační prvky (zpravidla kombinace L a C). Vyznačují se strmostí  a v závislosti na činiteli jakosti mohou vykazovat rezonanční převýšení.

center

Derivační článek

center

Integrační článek

2. Druhy frekvenčních charakteristik

  • 2.1 Amplitudová charakteristika

    • Charakteristika ukazuje, jak se amplituda výstupního signálu mění v závislosti na frekvenci vstupního signálu.
  • 2.2 Útlumová charakteristika

    • V útlumových charakteristikách můžeme vidět jaké frekvence obvod propustí a jaké utlumí. Charakteristika je logaritmická verze amplitudové (v dB).
  • 2.3 Fázová charakteristika

    • Fázová frekvenční charakteristika vyjadřuje časový posun výstupního harmonického signálu oproti signálu vstupnímu v závislosti na frekvenci.
    • U integračního článku (dolní propust) dochází ke zpožďování výstupního napětí, přičemž fázový posuv se limitně blíží hodnotě -90°.
    • Naopak u derivačního článku (horní propust) se výstupní signál oproti vstupu fázově předbíhá a posuv dosahuje hodnot až +90°.
    • Pro oba typy článků 1. řádu je charakteristický bod při tzv. mezní frekvenci (odpovídající poklesu amplitudy o 3 dB, tj. ), kdy je absolutní hodnota fázového posuvu rovna právě 45°.
  • 2.4 Komplexní charakteristika

    • Kombinace amplitudové a fázové charakteristiky. V praxi se používá proto, že jedním vztahem dokáže popsat celé chování obvodu. center
    Komplexní charakteristika

3. Klasifikace obvodů podle přenosových vlastností

  • 3.1 Dolní propust

    • Ukazuje, jakým způsobem obvod propouští signály nízkých frekvencí (od nuly až po mezní kmitočet) a jaký útlum má pro signály s vysokou frekvencí. center
    Charakteristika dolní propusti
  • 3.2 Horní propust

    • Ukazuje, jakým způsobem obvod propouští signály vysokých frekvencí a jaký útlum má pro signály nízkých frekvencí (včetně potlačení stejnosměrné složky). center
    Charakteristika horní propusti
  • 3.3 Pásmová propust

    • Ukazuje, jakým způsobem obvod propouští signály v určitém pásmu frekvencí a jaký útlum má mimo toto pásmo. center
    Charakteristika pásmové propusti
  • 3.4 Pásmová zádrž

    • Tato charakteristika ukazuje, jakým způsobem obvod zadržuje nebo potlačuje signály v určitém pásmu frekvencí a propouští signály mimo toto pásmo. center
    Charakteristika pásmové zádrži

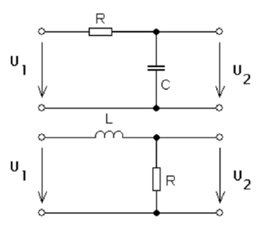
4. Integrační článek

center

Schéma integračního článku
  • Se zvyšující se frekvencí vstupního napětí, výstupní napětí klesá. U ideálního integrátoru odpovídá desetinásobnému zvýšení frekvence desetinásobný pokles amplitudy, sklon jeho logaritmické amplitudové frekvenční charakteristiky tedy je -20 dB/dek.

center

Frekvenční charakteristika integračního článku
  • Výpočet napěťového přenosu :
  • Pro výpočet přenos v db:
  • Výpočet mezní frekvence:
  • Mezní frekvence (též zlomová frekvence) je frekvence, při které se reaktance kondenzátoru () rovná odporu rezistoru (). V tomto bodě dochází k poklesu amplitudy výstupního napětí o 3 dB (na hodnotu maxima) a fázový posuv mezi vstupem a výstupem je roven 45° (resp. rad).

center

Charakteristika integračního článku
  • Výpočet fázového posunu:
  • Mezi hlavní oblasti využití patří:
    1. Tvarování signálů: Integrační článek se využívá v generátorech průběhů pro převod obdélníkového signálu na signál trojúhelníkový. Při konstantním vstupním napětí (náběžná a sestupná hrana obdélníku) dochází na výstupu integrátoru k lineárnímu nárůstu, respektive poklesu napětí.

    2. Filtrace signálu (Dolní propust): Díky charakteristice dolní propusti slouží k potlačení vysokofrekvenčního rušení a šumu v komunikačních a měřicích řetězcích. Propouští užitečnou nízko-frekvenční složku signálu, zatímco rušivé složky s vyšší frekvencí jsou svedeny přes kondenzátor k zemi.

    3. Regulační technika (I-složka): V analogových PID regulátorech zajišťuje integrační složka odstranění trvalé regulační odchylky. Integrátor sčítá (akumuluje) odchylku v čase a působí na akční zásah tak dlouho, dokud není chyba nulová.

    4. A/D převodníky: U integračních A/D převodníků (např. s dvojí integrací) se využívá principu nabíjení kondenzátoru po přesně stanovenou dobu. Tato metoda zajišťuje vysokou přesnost a odolnost vůči rušení, protože integrací dochází k průměrování vstupního signálu.

center

Reakce integračního obvodu na skokové změny vstupního napětí

5. Derivační článek

center

Schéma derivačního článku
  • Horní propust – se zvyšující se frekvencí vstupního napětí, výstupní napětí roste. U ideálního derivátoru odpovídá desetinásobnému zvýšení frekvence, desetinásobný vzrůst amplitudy, sklon jeho logaritmické amplitudové frekvenční charakteristiky tedy je +20 dB/dek.

center

Frekvenční charakteristika derivačního článku
  • Výpočet přenosu:

center

Charakteristika derivačního článku
  • Výpočet fázového posunu:

center

Reakce derivačního obvodu na skokové změny vstupního napětí

6. Wienův článek

center

Schéma wienova článku
  • Wienův článek je pasivní RC obvod tvořený sériovou a paralelní větví (každá obsahuje rezistor a kondenzátor). Funkčně představuje kombinaci horní a dolní propusti, čímž vzniká charakteristika pásmové propusti.

  • Klíčovým bodem je rezonanční frekvence . Při této frekvenci má článek maximální přenos a nulový fázový posun. Této vlastnosti se využívá v oscilátorech pro generování stabilního sinusového signálu (článek je zapojen v kladné zpětné vazbě operačního zesilovače).

  • Chování mimo rezonanci:

    • Pro : Obvod se chová jako horní propust. Výstupní napětí fázově předbíhá vstupní, úhel  je proto kladný.
    • Pro : Obvod se chová jako dolní propust. Výstupní napětí se za vstupním zpožďuje, úhel  je proto záporný. center
    Charakteristika wienova článku