1. Popište předurčení a konstrukci kruhových registrů
  2. Popište funkci posuvného registru SIPO a PISO

  • Registry jsou sekvenční logické obvody, které umožňují vložení a uchování informace.
  • Registry sestrojíme vhodným propojením několika klopných obvodů. Jejich počet určuje délku registru a současně počet bitů dvojkové informace, která má být zaznamenána registrem.

Popište předurčení a konstrukci kruhových registrů

  • V kruhovém registru, velmi často používaném, data rotují. Výstup z libovolného klopného obvodu má kmitočet 1/4 hodinového kmitočtu, protože obsahuje čtyři členy JK.
  • Obecně platí, že kruhový registr dělí vstupní kmitočet počtem použitých klopných obvodů, a lze jej proto použít jako dělič kmitočtu.

    center

  • Použití registrů:

    • Různé druhy pamětí pro krátkodobé uložení informace (tzv. lokální paměť).
    • Převodník z paralelního způsobu činnosti na sériový a naopak - Při převádění z paralelního způsobu na sériový se informace najednou zaznamená do všech klopných obvodů a postupně se snímá ze sériového výstupu. Při opačném převodu se informace postupně zaznamená do jednotlivých klopných obvodů a z výstupu se snímá najednou.
    • Zpožďovací členy - Výstup posledního klopného obvodu je proti vstupu prvního klopného obvodu zpožděn o dobu, která je dána součinem periody hodinových impulzů a počtem klopných obvodů v registru.
    • Digitální filtry a řízení procesů
    • Generování sekvencí bitů

Popište funkci posuvného registru SIPO a PISO

  • Posuvné registry SIPO a PISO jsou digitální obvody používané pro manipulaci s daty v elektronice. Oba pracují na principu posuvu bitů, ale mají odlišné vstupy a výstupy.

  • SIPO (Serial-In Parallel-Out)

    • Vstup: Data se do registru vkládají sériově (bit po bitu) přes jeden vstup.
    • Výstup: Po naplnění registru lze data číst paralelně (všechny bity najednou) z jednotlivých výstupů.
    • Použití: Převod sériového signálu na paralelní, rozšíření počtu výstupů mikrokontroléru (např. řízení LED matic nebo displejů).

      center

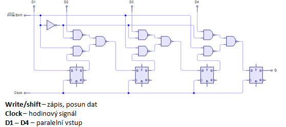
  • PISO (Parallel-In Serial-Out)

    • Vstup: Data se do registru vkládají paralelně (najednou přes více vstupů).
    • Výstup: Data se sériově posílají ven bit po bitu.
    • Použití: Převod paralelního signálu na sériový, snížení počtu vodičů při přenosu dat (např. přenos dat z tlačítek do mikrokontroléru).

      center