• Rezistor - vlastnosti, výpočet odporu z geometrických rozměrů, chování ve střídavém el. proudu , druhy, řazení
  • Kondenzátor - výpočet kapacity, řazení, chování v proudu, druhy
  • Cívka - chování ve střídavém el proudu
  • Polovodič - P, N, PN přechod
  • Dioda - VA charakteristika, propustný - závěrný směr, druhy

Rezistor

  • Jsou pasivní součástky určené k omezení proudu nebo vytvoření úbytku napětí.
  • Veškerý úbytek napětí na rezistoru se přemění na teplo.
  • Vyrábí se v různých řadách (E12, E24…)
  • S různým ztrátovým výkonem (0,4..1..2..10W)
  • S různou tolerancí (10%, 5%,1%…)
  • V některé velikosti nejsou značené hodnoty pomocí barevného čárkového kódu.
  • V některých případech může sloužit “rezistor” jako topení. (Vařič, topná spirála v ohřívači vody…) center
  • Výpočet odporu z geometrických rozměrů
    • - měrný odpor
    • l - délka vodiče
    • S - průřez



  • Ve střídavém obvodu

    • Pro střídavý proud v obvodu platí Ohmův zákon stejně jako pro proud stejnosměrný.
    • Odpor R rezistoru v obvodu střídavého proudu je stejný jako v obvodu stejnosměrného proudu a nazývá se také rezistance. center center

Kondenzátor

center

  • Výpočet kapacity
    • - permitivita dielektrika
    • S - plocha desek
    • d vzdálenost mezi deskami.



  • Ve střídavém obvodu

    • Výpočet kapacitní reaktance
      • Reaktance kondenzátoru s rostoucím kmitočtem klesá



    • Na ideálním kondenzátoru předbíhá proud napětí o 90°.
    • Na kondenzátoru ve střídavém obvodu platí Ohmův zákon.
    • Dochází k jeho periodickému nabíjení a vybíjení. Dielektrikem mezi deskami kondenzátoru vodivostní proud neprochází - mění se jen intenzita elektrického pole a dielektrikum se střídavě polarizuje.
    • Kondenzátor klade proudu odpor zvaný kapacitní reaktance (kapacitance) Xc.

    • Nabíjecí proud kondenzátoru je největší v okamžiku, kdy je kondenzátor nenabitý, tj. napětí mezi jeho deskami je nulové. Naopak v okamžiku, kdy je kondenzátor nabit na napětí je proud v obvodu nulový.

    center center


Cívka

  • Indukčnosti jsou pro nás nejen součástky pro elektroniku, ale patří sem např. vynutí motorů, transformátorů nebo ovládací cívky relátek a stykačů.
  • Pokud bychom chtěli uvažovat i její odpor, je nutné na cívku nahlížet jako na sériové spojení ideální cívky a rezistoru s odporem rovným ohmickému odporu cívky.
  • Na cívce předbíhá napětí proud o 90°.

  • Střídavý proud procházející vinutím cívky vytváří proměnné magnetické pole. Tím se v cívce indukuje napětí, které má podle Lenzova zákona opačnou polaritu než zdroj napětí. Následkem toho proud v obvodu nabývá největší hodnoty později než napětí center
  • Výpočet induktivní reaktance
    • (X_C) - kapacitní reaktance
    • (f) - frekvence střídavého proudu
    • (C) - kapacita kondenzátoru

Polovodič

  • Nevlastní polovodič

    • Volné elektrony, resp. kladné díry lze do polovodiče dostat pomocí příměsi. I malé množství příměsi (tisíciny procenta) Může vést k dostatečně velkému zvětšení vodivosti. Této vodivosti říkáme nevlastní vodivost. Tyto příměsi se nazývají dopanty jsou to chemické prvky bór, fosfor, arzen a antimon.
    • Vedení elektrického proudu v křemíku
      • Atom křemíku má ve vnější vrstvě 4 elektron. V krystalové mřížce je každý atom křemíku vázán s dalšími čtyřmi atomy křemíku pomocí těchto elektronů Znamená to tedy, že neexistuje volné částice (elektrony). Toto platí jen za velmi nízkých teplot. Při pokojových teplotách se vazební elektrony umožňují, po nich volné místo, tzv. volná díra, která se chová jako kladná částice. S rostoucí teplotou přibývá těchto volných částic. center



  • Polovodič typu N

    • Převažují nosiče proudu elektrony. (majoritní nosič) Nepohyblivé díry (minoritní nosiče)
    • Přidáme do Si (4 val. elektrony) prvek s 5 valenčními elektrony (fosfor, arsen, antimon) → Vznikne polovodič typu N.
    • Prvku který má o jeden elektron více říkáme DONOR (daruje elektron)
    • 4 elektrony arsenu naváží spojení s elektrony křemíku a 1 (pátý) zůstane protože nenajde partnera, proto se jednoduše uvolní z vazby. (muže se podílet na vedení proudu). center



  • Polovodič typu P

    • Přidáme do Si (4 val elektrony) prvek se 3 valenčními elektrony (bor, hliník, indium) → Vznikne polovodič typu P.
    • Prvku který má o jeden elektron méně říkáme AKCEPTOR (příjme)
    • Proto bude vždy volná díra do které může elektron přeskočit. center



  • Polovodič typu PN

    • Spojení polovodiče P a polovodiče N vznikne přechod PN.
    • V místě spojení začne docházet k rekombinaci volných elektronů a děr, vzniká neutrální oblast, které říkáme potenciálová bariéra.
    • Potenciálová bariéra se rozšiřuje do okamžiku kdy volné nosiče nemají dostatečnou energii na její překonání. center

Dioda

  • VA charakteristika diody

    center

  • Druhy diod

    center

    • Běžná dioda
      • Polovodičová součástka (PN přechod)
      • Propouští proud jen jedním směrem (z anody na katodu – propustný směr).
      • V závěrném směru nevede proud (až do proražení).
      • Použití: usměrňovače, ochrana obvodů, spínání.
    • Schottkyho dioda
      • Kov–polovodičový přechod (ne PN).
      • nižší prahové napětí (≈ 0,2–0,4 V oproti 0,7 V u křemíkové).
      • Velmi rychlá → vhodná pro vysokofrekvenční obvody a spínané zdroje.
      • Nevýhoda: vyšší závěrný proud (únik).
    • Tunelová dioda
      • velmi silně dotovaný PN přechod → umožňuje jev kvantového tunelování.
      • Má oblast záporného diferenciálního odporu (s rostoucím napětím klesá proud).
      • Použití: vysokofrekvenční generátory, oscilátory, speciální zesilovače.
    • Fotodioda
      • PN přechod pracující v závěrném směru.
      • Dopadající světlo vytváří nosiče náboje → vzniká fotoproud.
      • Použití: senzory světla, optická komunikace (např. dálkové ovladače).
    • Zenerova dioda
      • Pracuje v závěrném směru blízko napětí průrazu (tzv. Zenerovo napětí).
      • Po dosažení průrazného napětí se napětí na diodě stabilizuje.
      • Použití: stabilizace napětí, ochrana proti přepětí.
    • Varikap (varikapová dioda)
      • Speciální dioda používaná jako napěťově řízený kondenzátor.
      • V závěrném směru → šířka oblasti PN přechodu se mění podle napětí → mění se kapacita.
      • Použití: ladicí obvody (rádia, TV tunery, oscilátory).
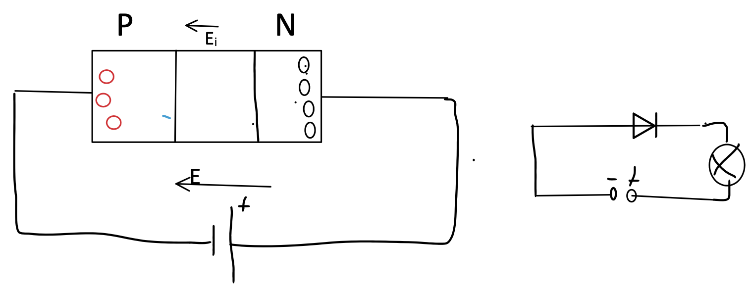
  • Přechod PN v propustném směru

    • Připojením vnějšího zdroje napětí dochází k vytvoření elektrického pole E, které působí proti potenciálovému poli Ei.
    • Zvyšováním vnějšího napětí dochází ke zužování potenciálové bariéry.•
    • V okamžiku kdy E > Ei dochází k otevření přechodu kterými začnou procházet majoritní nosiče. center
  • Přechod PN v závěrném směru

    • Připojením vnějšího napětím opačného směru se potenciálová bariéra rozšíří, protože E je stejným směrem jako Ei a sečítají se.
    • Říkáme že přechod je uzavřený ve skutečnosti jim prochází proud minoritních nosičů velmi malé hodnoty (pA). center