• Schéma klasického napájecího zdroje
  • Usměrňovače: jednocestný, dvoucestný, můstkový, můstkový třífázový
  • Pasivní a aktivní filtry
  • Zdvojovače a násobiče napětí

1. Úvod a rozdělení

  • Napájecím zdrojem rozumíme zařízení, které je schopné dodat elektrickému systému energii potřebnou k jeho činnosti.

  • Klasický síťový napájecí zdroj se skládá z několika základních částí – transformátoru, usměrňovače, filtru a často i regulačního obvodu.

  • 1. Podle principu činnosti (zpracování energie):

    • Klasické (lineární) zdroje: Využívají síťový transformátor (50 Hz), usměrňovač a lineární stabilizátor. Jsou těžší, rozměrnější a mají nižší účinnost, ale poskytují velmi čisté napětí bez rušení (vhodné např. pro měřicí přístroje nebo audiotechniku).
    • Spínané zdroje (SMPS): Síťové napětí se rovnou usměrní a následně se elektronicky “rozseká” (spíná) vysokou frekvencí (desítky kHz). Díky tomu stačí miniaturní transformátor. Jsou malé, lehké a mají vysokou účinnost (nabíječky, PC zdroje).
  • 2. Podle kvality výstupního napětí:

    • Nestabilizované: Napětí kolísá v závislosti na zatížení a výkyvech v síti.
    • Stabilizované: Udržují konstantní napětí. Dělí se dále na parametrické (využívají např. Zenerovu diodu, pro malé proudy) a zpětnovazební/elektronické (s tranzistory a regulační smyčkou, pro větší výkony).
  • 3. Podle vstupního a výstupního napětí (např. AC → DC)


2. Schéma klasického napájecího zdroje

center

Blokové schéma napájecího zdroje
  • Transformátor – slouží k transformování síťového napětí obvykle směrem dolů a má také význam bezpečnostní – galvanické oddělení (odděluje napájený přístroj od sítě).
  • Usměrňovač – slouží k přeměně střídavého napětí na pulsující napětí jedné polarity.
  • Filtr – slouží k vyhlazení pulsujícího napětí přicházejícího z usměrňovače na napětí stejnosměrné, jehož hodnota je potom v každém časovém okamžiku přibližně stejná.
  • Stabilizátor – slouží k stabilizaci napětí, aby se jeho hodnota co nejméně měnila v závislosti na změnách síťového napětí nebo na změnách odebíraného proudu do zátěže.

center

Schéma příkladu napájecího zdroje

3. Usměrňovače

  • 3.1 Jednocestný usměrňovač

    • Zapojení: Pouze 1 dioda v sérii se zátěží.
    • Funkce: Propustí pouze jednu (např. kladnou) půlvlnu, druhou odřízne.
    • Vlastnosti: Výstupní napětí je velmi pulzující, těžko se vyhlazuje. Velmi nízká účinnost. Použití jen pro nenáročné obvody s minimálním odběrem. center
    Schéma jednocestného usměrňovače a graf vstupního/výstupního napětí
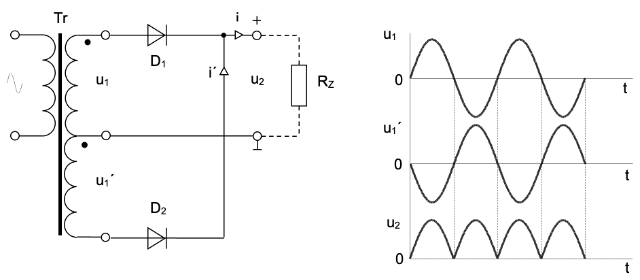
  • 3.2 Dvoucestný usměrňovač

    • Zapojení: 2 diody, vyžaduje speciální transformátor s vyvedeným středem sekundárního vinutí.
    • Funkce: Využívá obě půlvlny. Každá dioda zpracovává jednu půlvlnu vzhledem ke středu vinutí.
    • Vlastnosti: Dvojnásobná frekvence pulzací (snadnější filtrace), vyšší účinnost, ale nutnost dražšího transformátoru. center
    Schéma dvoucestného usměrňovače a graf vstupního/výstupního napětí
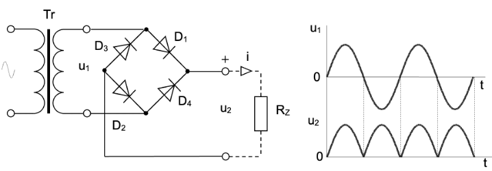
  • 3.3 Můstkový usměrňovač (Graetzův můstek)

    • Zapojení: 4 diody zapojené do můstku. Nejpoužívanější typ.
    • Funkce: Využívá obě půlvlny. Proud vždy protéká dvěma diodami v sérii se zátěží, směr proudu zátěží je vždy stejný.
    • Vlastnosti: Nevyžaduje trafo se středem, skvělá účinnost, dobře se filtruje. center
    Schéma můstkového usměrňovače a graf vstupního/výstupního napětí
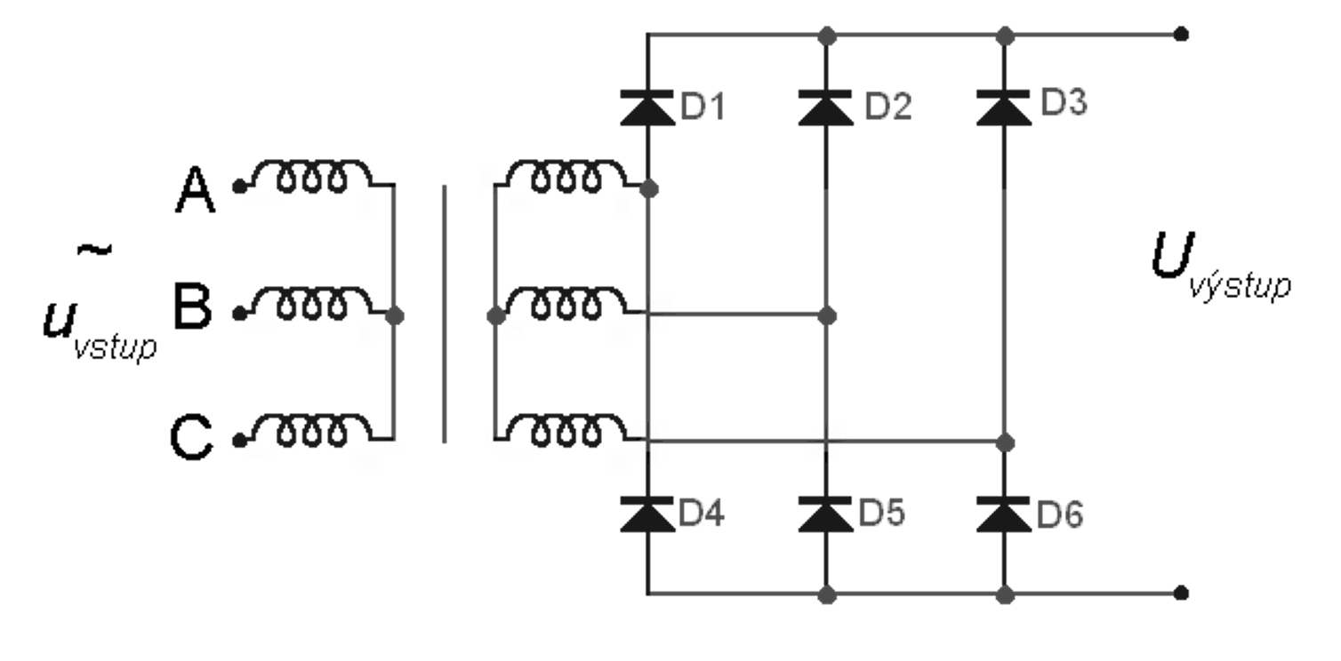
  • 3.4 Můstkový třífázový usměrňovač

    • Zapojení: 6 diod (případně více u vícepulzních), připojuje se na 3 fáze (L1, L2, L3).
    • Vlastnosti: Fáze jsou vzájemně posunuty o 120°, takže se jejich vrcholy překrývají. Výsledné napětí je už po usměrnění tak hladké, že často nevyžaduje velký filtr. Používá se v průmyslu pro velké výkony (svářečky, pohony). center

4. Vyhlazovací filtry

  • Úkolem je snížit zvlnění (zbytkovou střídavou složku) po usměrnění na co nejmenší hodnotu s nejmenšími ztráty a zajistit stabilní stejnosměrné napětí.
  • Používají se za usměrňovačem jako mezistupeň před stabilizací napětí.
  • Tento obvod napětí nestabilizuje, on ho pouze vyhlazuje. To znamená, že účinně odstraňuje střídavé zvlnění (brum), ale pokud ti kolísne napětí v síti (a tím pádem i na vstupu filtru), kolísne ti i výstupní napětí.
  • Účinnost filtračního článku se posuzuje činitelem vyhlazení, kde je zvlnění napětí před filtrem a  je zvlnění napětí za filtrem. Udává kolikrát daný filtr zmenšuje amplitudu první harmonické:
  • 4.1 Pasivní filtry

    • Skládají se z R, L, C součástek.
    • Kapacitní filtr: Kondenzátor paralelně k zátěži. Nabije se na špičkové napětí a v době poklesu se vybíjí do zátěže, čímž napětí “podrží”. (Nejběžnější).
    • Indukční filtr: Cívka (tlumivka) sériově se zátěží. Brání náhlým změnám proudu.
    • Kombinované (LC, RC, -články): Kombinují cívky/rezistory a kondenzátory pro dosažení minimálního zvlnění (tzv. činitel zvlnění). center
    Výstup pasivního filtru

    center

    Schéma RC a LC filtru



    • 4.1.1 Filtrační článek RC

      Výhody (+)Nevýhody (−)
      Nízká cena a malé rozměry (rezistor je levnější než tlumivka).Velký úbytek napětí na rezistoru ().
      Žádné elektromagnetické rušení (nevyzařuje magnetické pole).Ztráty energie (rezistor topí a zbytečně pálí výkon).
      Jednoduchá konstrukce a snadný výpočet - přesnější návrh mezního kmitočtu.Špatná účinnost při větších proudech (nehodí se pro výkonové zdroje).
      • Kapacitní reaktance kondenzátoru (): Určuje odpor kondenzátoru pro střídavou složku. S rostoucí frekvencí klesá (kondenzátor „zkratuje“ rušení k zemi).
      • Podmínka správné činnosti: Aby filtr fungoval efektivně, musí být odpor rezistoru mnohem větší než reaktance kondenzátoru pro danou frekvenci zvlnění (obvykle 100 Hz).
      • Mezní kmitočet filtru (): Frekvence, při které začíná filtr účinně tlumit střídavou složku (pokles o 3 dB). Pro vyhlazování musí být  výrazně nižší než 100 Hz.
      • Činitel vyhlazení (): Udává poměr vstupního zvlnění () ku výstupnímu zvlnění ().
    • 4.1.2 Filtrační článek LC

      Výhody (+)Nevýhody (−)
      Minimální úbytek stejnosměrného napětí (cívka má malý ohmický odpor).Velké rozměry a hmotnost (tlumivka je těžký kus železa a mědi).
      Vyšší činitel filtrace než u RC (cívka klade velký odpor střídavému brumu).Vysoká cena (měď a jádro tlumivky něco stojí).
      Ideální pro vysoké proudy (zdroj se tolik nehřeje).Riziko magnetického rušení (může ovlivňovat okolní součástky).
      • Induktivní reaktance cívky (): Určuje odpor cívky pro střídavou složku. S rostoucí frekvencí roste (cívka “brzdí” rychlé změny proudu).
      • Podmínka správné činnosti: Aby byla filtrace účinná, musí cívka klást střídavé složce mnohem větší odpor než kondenzátor.
      • Rezonanční kmitočet (): Je dán Thomsonovým vztahem. Aby filtr fungoval jako vyhlazovací, musí být jeho rezonanční kmitočet nastaven výrazně níže, než je frekvence usměrněného napětí (100 Hz).
      • Činitel vyhlazení (): Pro LC filtr roste účinnost s druhou mocninou frekvence (proto je LC filtr velmi účinný).
  • 4.2 Aktivní filtry

    • Využívají aktivní polovodičové součástky (tranzistory, operační zesilovače) k odstranění hlavních nevýhod pasivních RC a LC filtrů (zejména k odstranění velkých úbytků napětí a nutnosti používat rozměrné a drahé tlumivky).
    • Fungují jako “elektronická kapacita/indukčnost”, která aktivně vyrovnává kolísání. Většinou jsou dnes tyto obvody rovnou součástí elektronických stabilizátorů.
    • V běžné elektronice jsou tyto obvody většinou rovnou integrovány přímo ve strukturách monolitických stabilizátorů napětí (např. řada 78xx).
    • Při ještě větších nárocích na vyhlazení se použije filtr několikastupňový. Výsledný činitel vyhlazení vícestupňového filtru je dán součinem vyhlazení jednotlivých stupňů. center
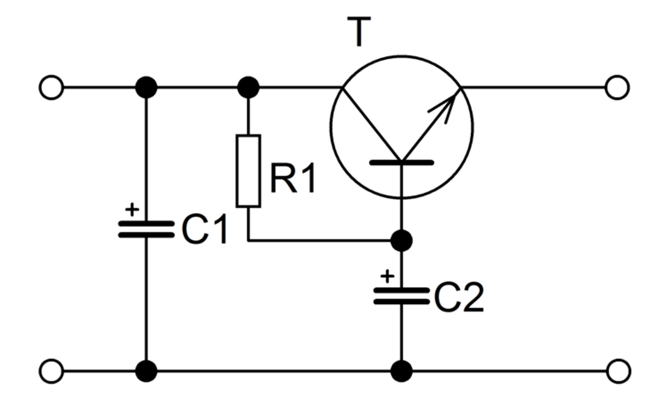
    Tranzistorový vyhlazovací filtr nebo také kapacitní násobič
    Výhody (+)Nevýhody (−)
    Obrovské vyhlazení, malé rozměry: Zastoupí těžkou cívku nebo obrovský kondenzátor (princip “násobiče kapacity”).Ztrátový výkon (teplo): Na tranzistoru se ztrácí výkon a hřeje. Při větších proudech se musí přidat chladič.
    Menší úbytek napětí: Ztrácí se na něm trvale mnohem méně napětí než na RC filtru (v základu jen cca 0,7 V). Zdroj je “tvrdší”.Teplotní závislost: Polovodič reaguje na teplo. Jak se tranzistor ohřívá, mírně roste výstupní napětí.
    Žádné magnetické rušení: Nemá cívku, takže nevyzařuje elektromagnetické pole. Skvělé pro citlivé zesilovače.Zranitelnost: Polovodiče jsou křehké. Zkrat na výstupu nebo velká napěťová špička tranzistor okamžitě zničí.
    • Jak tento obvod funguje?

      • Vstupní část: Na vstupu (zleva) je pulzující stejnosměrné napětí (např. z usměrňovače). Kondenzátor ‭‬ slouží jako první, hrubý vyhlazovací stupeň.

      • RC filtr na bázi: Rezistor ‭‬ a kondenzátor ‭‬ tvoří klasický pasivní RC filtr (dolní propust). Zásadní trik je v tom, že tímto filtrem neprotéká hlavní proud do zátěže, ale pouze nepatrný proud do báze tranzistoru ‭‬. Díky tomu, že odebíraný proud je minimální, dokáže tento malý RC filtr napětí na bázi téměř dokonale vyhladit (odstranit zvlnění).

      • Tranzistor: Tranzistor ‭‬ je zde zapojen jako tzv. emitorový sledovač (zapojení se společným kolektorem). Jeho hlavní vlastností je, že napětí na emitoru (na výstupu vpravo) přesně kopíruje napětí na bázi, je jen o zhruba 0,7 V nižší (což je přirozený úbytek napětí na přechodu báze-emitor, tzv. napětí ‭‬).

      • Výsledek: Protože napětí na bázi je krásně hladké díky filtru ‭‬ a ‭‬, výstupní napětí z emitoru je také krásně hladké. Hlavní zátěžový proud přitom teče přes kolektor a emitor (tranzistor ho “tahá” ze zdroje), takže je schopný napájet i náročnější obvody.


5. Stabilizátory

  • Zatímco vyhlazovací filtry odstraňují z napětí střídavé zvlnění, stabilizátory řeší jiný problém: kolísání samotné stejnosměrné hladiny napětí. K tomu dochází ze dvou důvodů:

    1. Změna vstupního napětí: Kolísá napětí v síti (např. místo 230 V je tam 240 V) nebo se postupně vybíjí baterie.
    2. Změna zátěže (vnitřní odpor zdroje): Když k obyčejnému zdroji (jen s filtrem) připojíme zařízení, které odebírá velký proud, napětí na výstupu nevyhnutelně klesne.
  • Stabilizátor je obvod, který tyto vlivy aktivně kompenzuje a udržuje na výstupu konstantní napětí nezávisle na změnách vstupu nebo odebíraném proudu. Kvalita stabilizátoru se udává tzv. činitelem stabilizace.

  • 5.1 Tranzistorový stabilizátor se Zenerovou diodou

    center

    Sériový parametrický stabilizátor s proudovým zesílením
    • Jak tento obvod funguje?

      1. Zenerova dioda () - Vytváří referenční napětí na bázi tranzistoru, které je přibližně konstantní při dostatečném proudu.
      2. Tranzistor () - Pracuje jako emitorový sledovač a proudový zesilovač – malý proud báze řídí velký proud do zátěže. Výstupní napětí ‬ je přibližně o (0,7 V) menší než napětí Zenerovy diody.
      3. Rezistor () - Omezuje proud, který protéká Zenerovou diodou, a zajišťuje, že dioda pracuje ve své stabilizační oblasti, aniž by se spálila.
      4. Kondenzátor () - Filtruje napětí na bázi a potlačuje šum i zvlnění.
      5. Kondenzátor () - Vyhlazuje výstupní napětí a zlepšuje stabilitu při změnách zátěže.
      • Pokud U2 klesne → klesne → tranzistor se víc otevře → zvýší proud → U2 stoupne
      • Pokud U2 roste roste → tranzistor se přivře → U2 klesne
    • Regulační mechanismus (Co se stane, když se změní zátěž):

      • Pokud výstupní napětí klesne (např. připojíme větší zátěž): Zvětší se rozdíl mezi stabilním napětím na bázi a napětím na emitoru. Tím vzroste napětí. Tranzistor se více otevře, propustí do zátěže větší proud a napětí ‭‬ dorovná zpět nahoru.
      • Pokud výstupní napětí stoupne (např. zátěž se odpojí): Zmenší se rozdíl mezi bází a emitorem. Tím klesne napětí. Tranzistor se mírně přivře, propustí menší proud a napětí ‭‬ opět spadne na požadovanou hodnotu.
  • 5.2 Integrované stabilizátory řady 78xx

    • Integrované stabilizátory řady 78xx (pro kladná napětí) a 79xx (pro záporná napětí) jsou nejrozšířenějšími lineárními stabilizátory v elektronice.

    • Jsou velice přesné oproti diskrétním stabilizátorům (tranzistor + zener)

    • Jedná se o tzv. třísvorkové stabilizátory (Vstup, Zem, Výstup).

    • Obsahují referenční zdroj (zenerovu diodu), zesilovač odchylky (operační zesilovač), výkonový prvek (tranzistor), obvody ochran (tepelné, proudové).

    • Bývají v pouzdrech které TO např. TO92, TO220

    • Značení:

      • 78 – stabilizuje kladné napětí.
      • 79 – stabilizuje záporné napětí.
      • xx – poslední dvojčíslí udává hodnotu výstupního napětí (např. 7805 = +5 V, 7812 = +12 V).
    • 5.2.1 Základní zapojení 78xx

      center

      Základní zapojení 78xx
      • Popis součástek v obvodu

        • Elektrolytické kondenzátory (C1 a C4): Mají velkou kapacitu (zde 220 µF a 10 µF). C1 slouží k hrubému vyhlazení napětí z usměrňovače (funguje jako zásobárna energie). C4 na výstupu pomáhá pokrýt náhlé proudové špičky, když připojené zařízení (zátěž) najednou začne odebírat více proudu.
        • Keramické/svitkové kondenzátory (C2 a C3): Mají malou kapacitu (obvykle se dává 100 nF). Jsou to tzv. blokovací kondenzátory. Uvnitř 78xx je složitý zesilovač s velkým zesílením, který má tendenci se na vysokých frekvencích rozkmitat (oscilovat). Tyto malé kondenzátory tyto vysokofrekvenční oscilace zkratují na zem a stabilizátor tak udržují v klidu.
    • 5.2.2 Zapojení pro zvýšení a regulaci napětí

      center

      Zapojení 78xx pro zvýšení a regulaci napětí

6. Zdvojovače a násobiče napětí

  • Používají se tam, kde potřebujeme vysoké stejnosměrné napětí, ale odebíráme jen minimální proud (např. rentgeny, CRT obrazovky, ionizátory), a nechceme používat drahý zvyšovací transformátor.

  • Princip: Soustava diod a kondenzátorů. Kondenzátory se střídavě nabíjejí v jednotlivých půlvlnách a jejich napětí se na výstupu sčítají.

  • Zdvojovač (Greinacherovo zapojení): Skládá se ze 2 diod a 2 kondenzátorů. Na výstupu je přibližně dvojnásobek špičkového vstupního napětí.

  • Kaskádní násobič (Cockcroft-Walton): Přidáváním dalších “pater” (diod a kondenzátorů) lze napětí znásobit 3x, 4x, ale i vícenásobně. Lze tak ze stovek voltů udělat i desítky kilovoltů.

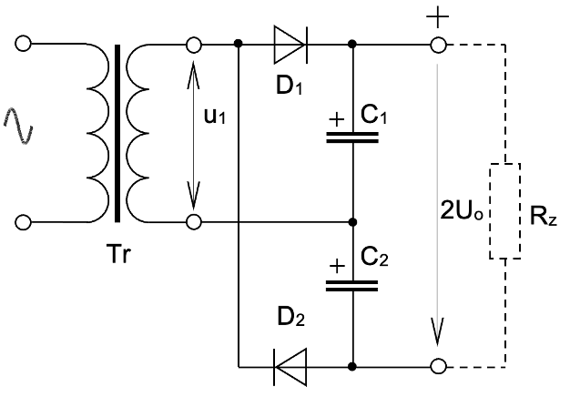
  • 6.1 Sériový zdvojovač napětí

    • První kondenzátor je zapojený přímo v sérii se zdrojem střídavého napětí. První dioda s tímto kondenzátorem udělá zajímavý trik: celou střídavou sinusoidu “posune” nad nulu. Napětí už nekmitá od do , ale od do . Druhá dioda s druhým kondenzátorem pak už fungují jen jako obyčejný usměrňovač s filtrem, který tohle posunuté maximum zachytí. center
    Sériový zdvojovač napětí
  • 6.2 Paralelní zdvojovač napětí

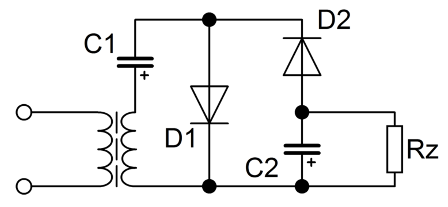
    • Zpracovává obě půlvlny střídavého napětí. Během kladné půlvlny se přes první diodu nabije první kondenzátor na maximální napětí zdroje (). Během záporné půlvlny se přes druhou diodu nabije druhý kondenzátor, opět na . center
    Paralelní zdvojovač napětí
  • 6.3 Násobiče napětí

    • Zpracovává střídavé napětí v navazujících cyklech. Během první půlvlny se přes diodu D1 nabije kondenzátor C1 na maximální napětí zdroje (). Během opačné půlvlny se napětí zdroje sečte s napětím na C1 a přes diodu D2 se kondenzátor C2 nabije na dvojnásobek, tedy . V dalších půlvlnách se náboj postupně přelévá dál, čímž se i kondenzátory C3 a C4 nabijí na . Výsledné vysoké napětí pak získáme součtem napětí na sériově zapojených kondenzátorech (např. C2 + C4 dává ). center
    Násobiče napětí